Description and Translation of JB/ZQ 4321 Fasteners
JB/ZQ 4321 fasteners, an important industrial standard in China, serve as specialized connecting components widely used in general machinery, electrical equipment, and industrial pipelines. Their core function is to provide reliable detachable joints, effectively transmitting static loads and resisting vibration-induced loosening, while ensuring assembly accuracy and operational safety in medium-load applications. These fasteners facilitate convenient maintenance and component replacement without compromising structural stability.
In terms of materials, JB/ZQ 4321 fasteners are primarily manufactured from medium-carbon steel (e.g., 4.8-grade and 8.8-grade steel conforming to relevant standards) and low-alloy steel, offering appropriate tensile strength and mechanical ductility. For mild corrosion environments, galvanized carbon steel variants are specified, while stainless steel options (e.g., 304) are available for enhanced corrosion resistance requirements.
Surface treatments include zinc plating with chromate passivation to improve rust resistance, phosphating for better lubrication during installation, and black oxide coating for increased wear resistance and aesthetic appearance. These treatments effectively extend service life and optimize compatibility with various operating conditions.
Key characteristics of JB/ZQ 4321 fasteners include standardized metric thread specifications, hexagonal head designs with chamfered edges, and precise dimensional tolerances ensuring interchangeability. Their mechanical attributes feature specified tensile strengths (400-800 MPa depending on grade), suitable yield ratios, and sufficient toughness. Additionally, they exhibit stable clamping performance and good processability, making them a cost-effective choice for general industrial applications and machinery manufacturing.
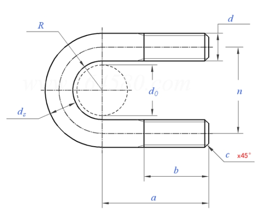
| Size ① | 14 | 18 | 22 | 25 | 33 | 38 | 42 | 45 | 48 | 51 | 57 | 60 | ||
| d | M6 | M6 | M10 | M10 | M10 | M12 | M12 | M12 | M12 | M12 | M12 | M12 | ||
| a | 33 | 35 | 42 | 44 | 48 | 55 | 57 | 59 | 60 | 62 | 66 | 67 | ||
| R | 8 | 10 | 12 | 14 | 18 | 20 | 22 | 24 | 25 | 27 | 31 | 32 | ||
| b | 22 | 22 | 28 | 28 | 28 | 32 | 32 | 32 | 32 | 32 | 32 | 32 | ||
| n | 22 | 26 | 34 | 38 | 46 | 52 | 56 | 60 | 62 | 66 | 74 | 76 | ||
| L0 | Blank Length | 98 | 108 | 135 | 143 | 160 | 192 | 202 | 210 | 220 | 225 | 240 | 250 | |
| c | 1 | 1 | 1.5 | 1.5 | 1.5 | 2 | 2 | 2 | 2 | 2 | 2 | 2 | ||
| per 1000 units≈kg | 22 | 24 | 83 | 88 | 99 | 171 | 180 | 188 | 196 | 200 | 214 | 223 | ||
| Size ① | 76 | 83 | 89 | 102 | 108 | 114 | 133 | 140 | 159 | 165 | 219 | |||
| d | M12 | M12 | M12 | M16 | M16 | M16 | M16 | M16 | M16 | M16 | M16 | |||
| a | 75 | 78 | 81 | 93 | 96 | 99 | 108 | 112 | 122 | 125 | 152 | |||
| R | 40 | 43 | 46 | 53 | 56 | 59 | 69 | 72 | 82 | 85 | 112 | |||
| b | 32 | 32 | 32 | 38 | 38 | 38 | 38 | 38 | 38 | 38 | 38 | |||
| n | 92 | 98 | 104 | 122 | 128 | 134 | 154 | 160 | 180 | 186 | 240 | |||
| L0 | Blank Length | 289 | 310 | 325 | 365 | 390 | 405 | 450 | 470 | 520 | 538 | 680 | ||
| c | 2 | 2 | 2 | 2 | 2 | 2 | 2 | 2 | 2 | 2 | 2 | |||
| per 1000 units≈kg | 256 | 276 | 290 | 575 | 616 | 640 | 712 | 752 | 822 | 850 | 1075 | |||
| ①,d0:Tube outer diameter | ||||||||||||||

Description and Translation of JB/ZQ 4321 Fasteners
JB/ZQ 4321 fasteners, an important industrial standard in China, serve as specialized connecting components widely used in general machinery, electrical equipment, and industrial pipelines. Their core function is to provide reliable detachable joints, effectively transmitting static loads and resisting vibration-induced loosening, while ensuring assembly accuracy and operational safety in medium-load applications. These fasteners facilitate convenient maintenance and component replacement without compromising structural stability.
In terms of materials, JB/ZQ 4321 fasteners are primarily manufactured from medium-carbon steel (e.g., 4.8-grade and 8.8-grade steel conforming to relevant standards) and low-alloy steel, offering appropriate tensile strength and mechanical ductility. For mild corrosion environments, galvanized carbon steel variants are specified, while stainless steel options (e.g., 304) are available for enhanced corrosion resistance requirements.
Surface treatments include zinc plating with chromate passivation to improve rust resistance, phosphating for better lubrication during installation, and black oxide coating for increased wear resistance and aesthetic appearance. These treatments effectively extend service life and optimize compatibility with various operating conditions.
Key characteristics of JB/ZQ 4321 fasteners include standardized metric thread specifications, hexagonal head designs with chamfered edges, and precise dimensional tolerances ensuring interchangeability. Their mechanical attributes feature specified tensile strengths (400-800 MPa depending on grade), suitable yield ratios, and sufficient toughness. Additionally, they exhibit stable clamping performance and good processability, making them a cost-effective choice for general industrial applications and machinery manufacturing.
| Size ① | 14 | 18 | 22 | 25 | 33 | 38 | 42 | 45 | 48 | 51 | 57 | 60 | ||
| d | M6 | M6 | M10 | M10 | M10 | M12 | M12 | M12 | M12 | M12 | M12 | M12 | ||
| a | 33 | 35 | 42 | 44 | 48 | 55 | 57 | 59 | 60 | 62 | 66 | 67 | ||
| R | 8 | 10 | 12 | 14 | 18 | 20 | 22 | 24 | 25 | 27 | 31 | 32 | ||
| b | 22 | 22 | 28 | 28 | 28 | 32 | 32 | 32 | 32 | 32 | 32 | 32 | ||
| n | 22 | 26 | 34 | 38 | 46 | 52 | 56 | 60 | 62 | 66 | 74 | 76 | ||
| L0 | Blank Length | 98 | 108 | 135 | 143 | 160 | 192 | 202 | 210 | 220 | 225 | 240 | 250 | |
| c | 1 | 1 | 1.5 | 1.5 | 1.5 | 2 | 2 | 2 | 2 | 2 | 2 | 2 | ||
| per 1000 units≈kg | 22 | 24 | 83 | 88 | 99 | 171 | 180 | 188 | 196 | 200 | 214 | 223 | ||
| Size ① | 76 | 83 | 89 | 102 | 108 | 114 | 133 | 140 | 159 | 165 | 219 | |||
| d | M12 | M12 | M12 | M16 | M16 | M16 | M16 | M16 | M16 | M16 | M16 | |||
| a | 75 | 78 | 81 | 93 | 96 | 99 | 108 | 112 | 122 | 125 | 152 | |||
| R | 40 | 43 | 46 | 53 | 56 | 59 | 69 | 72 | 82 | 85 | 112 | |||
| b | 32 | 32 | 32 | 38 | 38 | 38 | 38 | 38 | 38 | 38 | 38 | |||
| n | 92 | 98 | 104 | 122 | 128 | 134 | 154 | 160 | 180 | 186 | 240 | |||
| L0 | Blank Length | 289 | 310 | 325 | 365 | 390 | 405 | 450 | 470 | 520 | 538 | 680 | ||
| c | 2 | 2 | 2 | 2 | 2 | 2 | 2 | 2 | 2 | 2 | 2 | |||
| per 1000 units≈kg | 256 | 276 | 290 | 575 | 616 | 640 | 712 | 752 | 822 | 850 | 1075 | |||
| ①,d0:Tube outer diameter | ||||||||||||||

content is empty!