Description and Translation of BS 4933 - 1973 Fasteners
BS 4933 - 1973 fasteners serve as essential connecting elements in engineering structures, primarily functioning to secure joints in industrial machinery, construction equipment, and mechanical assemblies. Their fundamental role is to maintain structural integrity by withstanding static and dynamic loads, preventing loosening under vibration, and ensuring consistent performance across diverse operating conditions. These fasteners facilitate reliable component assembly and disassembly for maintenance purposes.
In terms of materials, BS 4933 - 1973 fasteners are predominantly manufactured from carbon steel (e.g., EN 10083-2 C45) and alloy steel (e.g., EN 10083-3 42CrMo4), providing high tensile strength and wear resistance. For corrosion-prone environments, galvanized carbon steel and stainless steel grades (e.g., EN 10088-1 1.4301) are specified to enhance durability in moist or chemical-exposed settings.
Surface treatments for these fasteners include hot-dip galvanizing for robust corrosion protection, electroplating (zinc or nickel) for improved surface finish, and phosphate coating to enhance lubrication during installation. These treatments extend service life while ensuring compatibility with various mating materials.
Key characteristics of BS 4933 - 1973 fasteners include precise thread specifications, standardized dimensions for interchangeability, and controlled mechanical properties. Their attributes feature tensile strengths ranging from 600-1000 MPa, appropriate yield ratios, and sufficient ductility to absorb shock loads. Additionally, they exhibit consistent torque-tension relationships, ensuring uniform clamping force and reliable performance in critical applications.
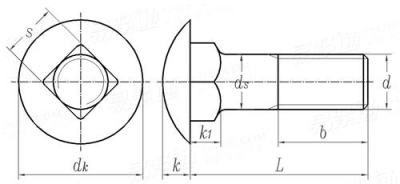
| Screw Thread d | M5 | M6 | M8 | M10 | M12 | M16 | M20 | M24 | |
| P | Pitch | 0.8 | 1 | 1.25 | 1.5 | 1.75 | 2 | 2.5 | 3 |
| dk | max | 11.3 | 13.5 | 18 | 22.5 | 27 | 36 | 45 | 54 |
| min | 10.2 | 12.4 | 16.9 | 21.2 | 25.7 | 34.4 | 43.4 | 52.1 | |
| k1 | max | 3.1 | 3.6 | 4.75 | 5.75 | 6.75 | 8.9 | 10.9 | 13.1 |
| min | 2.5 | 3 | 4 | 5 | 6 | 8 | 10 | 12 | |
| k | max | 3.1 | 3.6 | 4.8 | 5.8 | 6.8 | 8.9 | 10 | 13 |
| min | 2.5 | 3 | 4 | 5 | 6 | 8 | 10 | 12 | |
| s | max | 5.48 | 6.48 | 8.58 | 10.58 | 12.7 | 16.7 | 20.84 | 24.84 |
| min | 4.52 | 5.52 | 7.42 | 9.42 | 11.3 | 15.3 | 19.16 | 23.16 | |
| ds | max | 5.48 | 6.48 | 8.58 | 10.58 | 12.7 | 16.7 | 20.84 | 24.84 |
| min | 4.52 | 5.52 | 7.42 | 9.42 | 11.3 | 15.3 | 19.16 | 23.16 | |
| ①,When d≤M12, if L≤75mm,then b=L-K1; if 75<L≤125mm,then b=2d+6; if 125<L≤200mm时,then b=2d+12; if L>200mm时,then b=2d+25; ②,When d>M12, if L≤125mm时,then b=2d+6; if 125<L≤200mm时,then b=2d+12; if L>200mm时,then b=2d+25; ③,Standard nominal lengths are not specified in this standard, it may however, as a result of experience of usage,be possible to include these details at a future revision. | |||||||||

Description and Translation of BS 4933 - 1973 Fasteners
BS 4933 - 1973 fasteners serve as essential connecting elements in engineering structures, primarily functioning to secure joints in industrial machinery, construction equipment, and mechanical assemblies. Their fundamental role is to maintain structural integrity by withstanding static and dynamic loads, preventing loosening under vibration, and ensuring consistent performance across diverse operating conditions. These fasteners facilitate reliable component assembly and disassembly for maintenance purposes.
In terms of materials, BS 4933 - 1973 fasteners are predominantly manufactured from carbon steel (e.g., EN 10083-2 C45) and alloy steel (e.g., EN 10083-3 42CrMo4), providing high tensile strength and wear resistance. For corrosion-prone environments, galvanized carbon steel and stainless steel grades (e.g., EN 10088-1 1.4301) are specified to enhance durability in moist or chemical-exposed settings.
Surface treatments for these fasteners include hot-dip galvanizing for robust corrosion protection, electroplating (zinc or nickel) for improved surface finish, and phosphate coating to enhance lubrication during installation. These treatments extend service life while ensuring compatibility with various mating materials.
Key characteristics of BS 4933 - 1973 fasteners include precise thread specifications, standardized dimensions for interchangeability, and controlled mechanical properties. Their attributes feature tensile strengths ranging from 600-1000 MPa, appropriate yield ratios, and sufficient ductility to absorb shock loads. Additionally, they exhibit consistent torque-tension relationships, ensuring uniform clamping force and reliable performance in critical applications.
| Screw Thread d | M5 | M6 | M8 | M10 | M12 | M16 | M20 | M24 | |
| P | Pitch | 0.8 | 1 | 1.25 | 1.5 | 1.75 | 2 | 2.5 | 3 |
| dk | max | 11.3 | 13.5 | 18 | 22.5 | 27 | 36 | 45 | 54 |
| min | 10.2 | 12.4 | 16.9 | 21.2 | 25.7 | 34.4 | 43.4 | 52.1 | |
| k1 | max | 3.1 | 3.6 | 4.75 | 5.75 | 6.75 | 8.9 | 10.9 | 13.1 |
| min | 2.5 | 3 | 4 | 5 | 6 | 8 | 10 | 12 | |
| k | max | 3.1 | 3.6 | 4.8 | 5.8 | 6.8 | 8.9 | 10 | 13 |
| min | 2.5 | 3 | 4 | 5 | 6 | 8 | 10 | 12 | |
| s | max | 5.48 | 6.48 | 8.58 | 10.58 | 12.7 | 16.7 | 20.84 | 24.84 |
| min | 4.52 | 5.52 | 7.42 | 9.42 | 11.3 | 15.3 | 19.16 | 23.16 | |
| ds | max | 5.48 | 6.48 | 8.58 | 10.58 | 12.7 | 16.7 | 20.84 | 24.84 |
| min | 4.52 | 5.52 | 7.42 | 9.42 | 11.3 | 15.3 | 19.16 | 23.16 | |
| ①,When d≤M12, if L≤75mm,then b=L-K1; if 75<L≤125mm,then b=2d+6; if 125<L≤200mm时,then b=2d+12; if L>200mm时,then b=2d+25; ②,When d>M12, if L≤125mm时,then b=2d+6; if 125<L≤200mm时,then b=2d+12; if L>200mm时,then b=2d+25; ③,Standard nominal lengths are not specified in this standard, it may however, as a result of experience of usage,be possible to include these details at a future revision. | |||||||||

content is empty!