Description and Translation of YJT 3001 Fasteners
YJT 3001 fasteners, a specialized industrial standard in China, function as critical connecting components primarily applied in hydraulic equipment, engineering machinery, and heavy-duty mechanical systems. Their core role is to provide high-strength detachable joints capable of withstanding heavy static and dynamic loads, effectively resisting loosening under extreme vibration and ensuring operational safety in high-pressure working environments. These fasteners facilitate reliable assembly while enabling maintenance efficiency in demanding industrial applications.
In terms of materials, YJT 3001 fasteners are predominantly manufactured from high-strength alloy steel (e.g., 8.8-grade and 10.9-grade steel conforming to relevant standards) and quenched-tempered carbon steel, offering excellent tensile strength and impact resistance. For corrosion-prone operating conditions, hot-dip galvanized steel and stainless steel variants (e.g., 316) are specified to ensure durability in humid or chemically exposed environments.
Surface treatments include zinc-nickel alloy plating for enhanced corrosion resistance, phosphating with lubricant coating to improve installation performance, and black oxide finish for increased wear resistance. These treatments effectively extend service life and optimize compatibility with severe operating conditions.
Key characteristics of YJT 3001 fasteners include fine metric thread specifications, hexagonal head designs with large bearing surfaces, and strict dimensional tolerances ensuring high interchangeability. Their mechanical attributes feature specified tensile strengths (800-1000 MPa depending on grade), appropriate yield ratios, and sufficient toughness. Additionally, they exhibit stable clamping performance and excellent fatigue resistance, making them suitable for critical structural connections in heavy machinery applications.
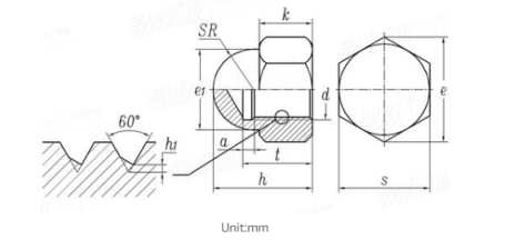
| Thread Size d | M10 | M12 | M14 | M16 | M18 | M20 | M22 | M24 | ||
| k | 8 | 10 | 11 | 13 | 14 | 16 | 18 | 19 | ||
| e | min | 17.77 | 20.03 | 23.35 | 26.75 | 29.56 | 32.95 | 37.29 | 39.55 | |
| e1 | max | 16 | 18 | 20 | 22 | 25 | 28 | 30 | 34 | |
| a | min | 4 | 4.5 | 5 | 5 | 6 | 6 | 6 | 7 | |
| h | 18 | 22 | 24 | 26 | 29 | 32 | 35 | 38 | ||
| t | 13 | 16 | 17 | 19 | 22 | 25 | 26 | 28 | ||
| s | max | 16 | 18 | 21 | 24 | 27 | 30 | 34 | 36 | |
| min | 15.73 | 17.73 | 20.67 | 23.67 | 26.16 | 29.16 | 33 | 35 | ||
| SR | ≈ | 8 | 9 | 10 | 11.5 | 12.5 | 14 | 15 | 17 | |

Description and Translation of YJT 3001 Fasteners
YJT 3001 fasteners, a specialized industrial standard in China, function as critical connecting components primarily applied in hydraulic equipment, engineering machinery, and heavy-duty mechanical systems. Their core role is to provide high-strength detachable joints capable of withstanding heavy static and dynamic loads, effectively resisting loosening under extreme vibration and ensuring operational safety in high-pressure working environments. These fasteners facilitate reliable assembly while enabling maintenance efficiency in demanding industrial applications.
In terms of materials, YJT 3001 fasteners are predominantly manufactured from high-strength alloy steel (e.g., 8.8-grade and 10.9-grade steel conforming to relevant standards) and quenched-tempered carbon steel, offering excellent tensile strength and impact resistance. For corrosion-prone operating conditions, hot-dip galvanized steel and stainless steel variants (e.g., 316) are specified to ensure durability in humid or chemically exposed environments.
Surface treatments include zinc-nickel alloy plating for enhanced corrosion resistance, phosphating with lubricant coating to improve installation performance, and black oxide finish for increased wear resistance. These treatments effectively extend service life and optimize compatibility with severe operating conditions.
Key characteristics of YJT 3001 fasteners include fine metric thread specifications, hexagonal head designs with large bearing surfaces, and strict dimensional tolerances ensuring high interchangeability. Their mechanical attributes feature specified tensile strengths (800-1000 MPa depending on grade), appropriate yield ratios, and sufficient toughness. Additionally, they exhibit stable clamping performance and excellent fatigue resistance, making them suitable for critical structural connections in heavy machinery applications.
| Thread Size d | M10 | M12 | M14 | M16 | M18 | M20 | M22 | M24 | ||
| k | 8 | 10 | 11 | 13 | 14 | 16 | 18 | 19 | ||
| e | min | 17.77 | 20.03 | 23.35 | 26.75 | 29.56 | 32.95 | 37.29 | 39.55 | |
| e1 | max | 16 | 18 | 20 | 22 | 25 | 28 | 30 | 34 | |
| a | min | 4 | 4.5 | 5 | 5 | 6 | 6 | 6 | 7 | |
| h | 18 | 22 | 24 | 26 | 29 | 32 | 35 | 38 | ||
| t | 13 | 16 | 17 | 19 | 22 | 25 | 26 | 28 | ||
| s | max | 16 | 18 | 21 | 24 | 27 | 30 | 34 | 36 | |
| min | 15.73 | 17.73 | 20.67 | 23.67 | 26.16 | 29.16 | 33 | 35 | ||
| SR | ≈ | 8 | 9 | 10 | 11.5 | 12.5 | 14 | 15 | 17 | |

content is empty!